Warum Wärmepumpen manchmal hinter den Erwartungen zurückbleiben

Tipps und Hinweise für eine gezielte Fehlersuche bei Heizungs-Wärmepumpen
Ob im Neubau oder in der Sanierung. Regelmäßig kommt es vor, dass eine Heizungs-Wärmepumpe die prognostizierte Jahresarbeitszahl (JAZ) nicht erreicht. Die Ursachen mangelnder Effizienz sind vielfältig. Objektbedingte oder bauliche Fehler oder schlicht eine falsche Betriebsweise der Wärmepumpe kommen infrage. Wärmepumpenspezialist Achim Fischer beleuchtet in diesem Gastbeitrag typische Fehler und zeigt Lösungsansätze auf.
Bevor es in die Fehleranalyse geht, soll ein kleiner Exkurs die Unterschiede von COP, JAZ, SCOP und SPF aufzeigen. Vorangestellt sei, dass die grundsätzliche Berechnung bei allen Werten nach dem gleichen Prinzip erfolgt: Die Aufgenommene Leistung wird durch die Abgegebene Leistung geteilt.
Lediglich die Bilanzgrenzen und die zugrunde gelegten Parameter unterscheiden sich.
Von COP bis SPF
Da ist zunächst der COP (Coefficient of Performance). Dieser „Laborwert“ wird in der VDI 4645 wie folgt beschrieben: „Verhältnis des bei bestimmten Betriebsbedingungen abgegebenen Nutzwärmestroms einer Elektro-Wärmepumpe, bezogen auf die eingesetzte elektrische Leistung für den Antrieb des Verdichters, der Hilfsantriebe und der Regelung nach DIN EN 14 511.“ Energieaufnahmen wie z.B. für den Lüfter an dem Verdampfer einer Luft/Wasser-Wärmepumpe werden nicht berücksichtigt. Weiterhin wird diese Leistungszahl immer an einem Betriebspunkt angegeben. Die Schreibweise setzt sich wie folgt zusammen. Der COP-Wert bei Luft/Wasser Wärmepumpen wird z.B. bei A2/W35 angegeben. Das bedeutet, dass der angegebene Wert bei Air (Luft/Außenluft) +2°C und einer Wärmsenkentemperatur (Vorlauftemperatur) von 35°C ermittelt wurde.
Beim SCOP (seasonal coefficient of performance) wird im Gegensatz zum COP nicht nur ein Betriebspunkt berücksichtigt, vielmehr werden vier Werte (+12 °C; +7 °C; +2 °C und -7 °C) für die Ermittlung der Leistungszahl herangezogen. Weiterhin wird eine sogenannte Klimazone bei der Ermittlung berücksichtigt. Hier ist Europa in drei Klimazonen aufgeteilt: Nord-, Mittel- und Südeuropa. Für Deutschland wird die Klimazone von Mitteleuropa herangezogen. Als Referenzort wird hierbei Straßburg genutzt. Sonst ist das Verfahren ähnlich wie beim COP-Wert.
Bei der JAZ (Jahresarbeitszahl) ist der Rechenweg der gleiche. Zusätzlich werden aber folgende Punkte berücksichtigt:
- Postleitzahlengebiet, um die reale Normaußentemperatur am Projektstandort für die Berechnungen heranzuziehen.
- Geplante Wärmesenkentemperatur (Vorlauftemperatur) mit der geplanten Spreizung bzw. der zu erwartenden Rücklauftemperatur.
- Betriebsweise der Wärmepumpe.
- Warmwasserbereitung (hier wird die Speichersolltemperatur wie auch der Warmwasseranteil in %, am Heizwärmebedarf berücksichtigt.).
- Berücksichtigung eines zweiten Wärmeerzeugers (z.B. der Heizstab bei monoenergetischer Betriebsweise).
Der in der Praxis gemessene Wert ist der SPF (Seasonal Performance Factor).
Nur beim SPF wird die aufgenommene und abgegebene Energie der Wärmepumpe anhand von Messgeräten vor Ort erfasst (z.B. aus dem verbauten Systemregler der Wärmepumpe).
Zusammengefasst betrachtet der COP nur die Wärmepumpe bei einer Temperatur. Der SCOP betrachtet die Wärmepumpe bei unterschiedlichen Temperaturen (+12°C; +7°C; +2°C; -7°C). Die JAZ berechnet sich aus theoretischen Annahmen für Trinkwasser und Heizung sowie ggf. der Nutzung eines zusätzlichen Wärmeerzeugers. Der SPF basiert auf real vor Ort gemessene oder abgelesene Werte aus dem Wärmepumpen-Regler. In der VDI 4645 finden sich die jeweiligen Bilanzierungsgrenzen.


Bildquelle: VDI 4645
Abweichende Systemtemperaturen als Effizienzkiller
Starten wir die Fehleranalyse mit dem ersten Beispiel und betrachte dabei die zugrunde gelegte Jahresarbeitszahl (JAZ). Sie ist bekanntlich eine theoretischer Effizienzwert, der unter den eingangs beschriebenen Annahmen ermittelt wird. Allein hier kann es große Abweichungen geben. Beispiel Neubau: Hier wird eine Heizlast ermittelt, die sich allerdings je nach Art der Bauweise (Massivbau oder Holzständerwerk) früher oder später einstellt. Das hat zu Folge, dass der Heizwärmebedarf in den ersten Jahren höher liegt, weil die im Zuge der Bauarbeiten eingebrachte Feuchtigkeit erst aus Böden und Wänden entweichen muss. In dieser Zeit können die Systemtemperaturen höher liegen als in der JAZ-Berechnung angenommen. Bleiben wir im Neubau und schauen uns die Warmwasserversorgung an. Wenn man im JAZ-Rechner keine Änderung in dem Warmwasseranteil eingibt, wird standardmäßig mit 18 % Warmwasseranteil gerechnet. Was in einem Bestandsgebäude realistisch sein kann. In einem Neubau, der eine sehr geringe Heizlast hat, verschiebt sich der Warmwasseranteil auf bis zu 50 %. Ebenfalls spielt die im JAZ-Rechner eingegebene Speichertemperatur eine wesentliche Rolle. Weicht die eingestellte Speichertemperatur von der Berechnung ab, hat dies ebenfalls wie alle vorgenannten Punkte zur Folge, dass die gemessene Systemarbeitszahl (SPF) von der berechneten JAZ abweichen wird.
Vertauschte Anschlüsse an der Wärmepumpe
Nicht selten sind bauliche Fehler ursächlich für eine geringere Effizienz der Wärmepumpe. Wenn etwa Rohrleitungen und Armaturen nicht ausreichend und lückenlos gedämmt werden. Ein Fehler, der in der Praxis immer wieder vorkommt, ist ein vertauschter Anschluss der Heizungsleitungen an der Wärmepumpe. Dazu muss man wissen: Wenn Vor- und Rücklauf an der Wärmepumpe vertauscht werden, dann führt das zu erheblichen Effizienzverlusten, weil der Wärmeübertrager (Verflüssiger) im Gleichstrom (Heizungswasser und Kältemittel haben im Wärmeübertrager die gleiche Fließrichtung) durchströmt wird. Für eine Effiziente Übertragung ist es notwendig, dass der Verflüssiger im Gegenstrom (Heizungswasser/Kältemittel) durchströmt wird.
Eigentlich sollte das bei der Konfigurierung bzw. im Rahmen der Inbetriebnahme auffallen, weil die Fühler falsche Werte anzeigen: Der Vorlauffühler zeigt die Rücklauftemperatur an und umgekehrt. Gleichwohl zeigt die Praxis, dass derartige Fehler eben nicht sofort auffallen.
Einstellungen sorgsam wählen
Höhere Vorlauftemperaturen gehen zu Lasten der Effizienz, das ist bekannt. Und dennoch wird die Heizkurve bei der Inbetriebnahme oftmals etwas höher eingestellt als bei der Auslegung ermittelt. Frei nach dem Motto: Hauptsache, der Kunde ruft nicht an, weil es zu kalt ist.
Ein fataler Fehler, der ins Geld geht. Grundsätzlich kann man sagen, dass jedes Kelvin Vorlauftemperaturerhöhung bis zu 2,5 % Effizienz der Wärmepumpe kostet.
Es kommt aber noch ein wesentlicher Aspekt dazu: Je nach Wärmepumpenersteller bezieht sich die Einstellung der Heizkurve auf die Vorlauf- bzw. auf die Rücklauftemperatur. Das bedeutet, dass bei einigen Herstellern die Heizkurve nach der Rücklauftemperatur eingestellt werden muss. Hierzu ein kurzes Beispiel. Die Heizkurve für eine Fußbodenheizung in einem Neubau soll eingestellt werden. Die Auslegung der Fußbodenheizung wurde mit 35/28 °C vorgenommen.


Wenn die Heizkurve in Bild 2 nach der Vorlauftemperatur eingestellt würde, sollte eine 0,5er Heizkurve passen. Was passiert nun bei einem Rücklauftemperatur geregeltem System? Für die Reglung ist der eingestellte Wert die Rücklauftemperatur. Also stellt die Wärmepumpe den Eingestellten Wert, hier die 35 °C plus die Spreizung / Temperaturhub der Wärmepumpe (5 – 7 K) als Vorlauftemperatur zur Verfügung. Danach würde die Fußbodenheizung mit 40 °C fahren. Richtig wäre hier eine Heizkurveneinstellung von 0,3. Hier würde die Wärmepumpe, 28 °C plus Spreizung als Vorlauftemperatur zur Verfügung stellen.
Das Beispiel verdeutlicht, dass alleine diese Fehleinstellung die Effizienz der Wärmepumpe um bis zu 17,5 % verschlechtern könnte. Die Hinweise in der Montageanweisung der Hersteller sind unbedingt zu beachten.
Grundsätzlich empfiehlt sich, die Heizkurve eher etwas kleiner einzustellen und bei Bedarf anzupassen.

Kühlung kostet Effizienz
Als letztes Beispiel soll die Kühlung mittels Wärmepumpe angeführt werden, denn auch sie trägt zu einer schlechteren Effizienz bei. Hierzu ein Beispiel aus dem Neubaubereich. Viele Kunden wünschen sich eine Kühlung über die Fußbodenheizung. Erfahrungsgemäß lässt sich damit eine Temperaturabsenkung im Raum von bis zu 4 K erreichen - immer abhängig von der aktuellen Luftfeuchte.
Im Gegensatz zu Klimaanlagen sind Wärmepumpen aber in erster Linie auf den Heizfall optimiert und abgestimmt. Dies sieht man recht gut an den baulichen Komponenten. Wenn man sich die Verdampfer bei der Wärmepumpe und den Verflüssiger bei der Klimaanlage anschaut (die Außengeräte), stellt man schnell fest, dass die Lamellenabstände bei einer Wärmepumpe weiter auseinander liegen. Wobei bei einer Klimaanlage diese sehr eng zusammen liegen. Die Klimaanlage muss bei hohen Außentemperaturen die Wärme immer noch an die Luft übertragen können. Daher die engen Lamellenabstände, um eine große Wärmetauscher-Fläche zu erreichen. Würden die Verdampfer bei der Wärmepumpe ähnlich konzipiert sein, hätte man zwar eine höhere Entzugsleistung aus der Quelle Luft, allerdings einen großen Nachteil: Das anfallende Kondensat, welches zum Vereisen der Wärmepumpe führt, kann durch die engen Lamellenabstände nicht schnell genug abfließen. Dies würde zu einem häufigeren Abtauen und zur Verschlechterung der Gesamteffizienz führen.
Viele Bauherren berücksichtigen die Kühlung/Temperierung mittels Wärmepumpe bewusst nicht von Anfang an. Hintergrund ist die energetische Bilanzierung des Gebäudes. Mit einer Kühlung/Temperierung könnten Ausgleichsmaßnahmen notwendig werden, um den gewünschten Effizienzstandard des Gebäudes zu erreichen. Wenn aber eine JAZ ohne Kühlung berechnet wird und später dann doch eine Kühlung über die Wärmepumpe realisiert wird, kann das bis zu einer 1,0 schlechteren JAZ / SPF führen als in der ursprünglichen Planung berechnet.
Schlussbemerkung
Es gibt viele Ursachen für das nicht Erreichen der prognostizierten Leistungszahl einer Wärmepumpe. Eine sorgsame Prüfung der eingestellten Regelparameter im Rahmen der Inbetriebnahme und die regelmäßige Optimierung im laufenden Betrieb zum Beispiel im Rahmen der jährlichen Wartung gehören daher ins Pflichtenheft des SHK-Fachbetriebs, um Auffälligkeiten sofort zu begegnen. Nicht zuletzt müssen die Betriebsbedingungen wie die gewünschten Raum- und Warmwassertemperaturen, das Nutzen der Kühlfunktion im Vorfeld festgelegt und in der Planung berücksichtigt werden, damit auch realistische Jahresarbeitszahlen berechnet werden können.
Autor: Achim Fischer, Wärmepumpen-Mentor, info@plan-haustechnik.de
Er unterstütz Fachhandwerker und Energieberater die nachhaltig in der Wärmepumpenbranche durchstarten wollen.
Fachbericht IKZ-Zeitung
Nachtabsenkung: Weniger ist mehr
Aus der Evolution der Heizung ist die Nachtabsenkung immer noch eine beliebte Einstellung, um eine Energieeinsparung zu generieren. Bei Wärmepumpen kann das aber zu einer deutlichen Absenkung der Effizienz führen. Der Grund: Wärmepumpen werden auf die nötige Heizlast des Gebäudes inkl. der Warmwasserbereitung ausgelegt. Gerne auch einen Ticken kleiner. Folglich benötigt die Wärmepumpe, um die gewünschte Raumtemperatur, nach der Nachtabsenkung wieder herstellen zu können Zeit – oder eben mehr Leistung bzw. eine höhere Vorlauftemperatur. Ein weiterer wichtiger Punkt ist die Warmwasserbereitung. Betrachten wir einen typischen Altbau mit Radiatoren mit aktivierter Nachtabsenkung. Gehen die Bewohner nun morgens duschen, bekommt die Wärmepumpe die Warmwasseranforderung zusätzlich zum Heizbetrieb. Sie muss also zum einen die Temperaturdifferenz aus der Nachtabsenkung ausgleichen und zum anderen Warmwasser bereiten.
Das funktioniert in der Kürze der Zeit nicht. Je nach Regelung und Einstellung schaltet die Wärmepumpe deshalb nach einer Zeit den Heizstab dazu, was wiederum zu Lasten der Effizienz geht.
Heizgrenztemperatur und Bivalenzpunkt beachten
Die Heizgrenztemperatur oder auch Sommer-/Winterschaltung genannt gibt an, bei welcher Temperatur die Wärmepumpe mit dem Heizbetrieb beginnt. Die Heizgrenztemperaturen sind unter anderem in der VDI 4650 dokumentiert. Demnach wird wie folgt unterschieden:
- Bestehendes Gebäude, Heizbetrieb ab 15 °C
- Gebäude nach EnEV, Heizbetrieb ab 12 °C
- Passivhaus, Heizbetrieb ab 10 °C.
Diese Empfehlungen kommen nicht von ungefähr und sollten beachtet werden. Denn wenn man die Heizgrenztemperatur auf z.B. 19 °C in einem Neubau einstellt, kann folgendes passieren: Die Raumwärme ist längst gedeckt, die Raumthermostate/Heizkörperthermostate haben abgeregelt. Die Wärmepumpe erhält allerdings immer noch eine Wärmeanforderung. Jetzt hat jede Wärmepumpe die Eigenschaft, dass Sie ihre Leistung, auch wenn es eine Inverter-Wärmepumpe ist, nicht auf Null modulieren kann. Folglich produziert die Wärmepumpe Wärme, obwohl die nicht mehr benötigt wird. Ist nun noch der Pufferspeicher zu klein oder nicht vorhanden, führt es unweigerlich zur Taktung der Wärmepumpe. Dies hat nicht unbedingt einen negativen Einfluss auf die Effizienz, denn die Heizarbeit findet ja bei besten Quellentemperaturen statt. Die Schalthäufigkeit und die kurze Laufzeit pro Start wirken sich aber negativ auf die Lebensdauer der Wärmepumpe aus.
Auch in Sachen Bivalenzpunkt empfiehlt sich ein Blick in die Unterlagen des Gerätes. Oftmals gibt es die Möglichkeit, zwei Bivalenzpunkte einzustellen. Einmal für den Heiz- und einmal für den Warmwasserbetrieb. Diese können unterschiedlich sein. Auch hierzu ein Beispiel: Der Bivalenzpunkt für die Heizung wurde mit -5 °C ermittelt. Je nach Hersteller geht die Reglung wie folgt mit diesem Wert um.
- Variante 1: Die Wärmepumpe ist im Heizbetrieb und die Temperatur fällt unter den Bivalenzpunkt. Ergo zieht die Wärmepumpe den Heizstab für die Deckung der Raumwärme hinzu. Unabhängig davon, ob die Wärmepumpe die Deckung alleine hinbekommen würde.
- Variante 2: Die Wärmepumpe ist im Heizbetrieb und die Temperatur fällt unter den Bivalenzpunkt. Nun schaut die Reglung, ob die Wärmepumpe, die Soll-Ist-Abweichung des Heizungswasser allein in einer gewissen Zeit decken kann. Schafft sie dies, kommt der Heizstab, auch bei niedrigeren Außentemperaturen, nicht zum Einsatz. Dieser kommt vielmehr erst zum Zuge, wenn die Soll-Ist-Abweichung in einer gewissen Zeit nicht mehr über die Wärmepumpe gedeckt werden kann.
Häufige Warmwasserbereitung
Gerade in der Warmwasserbereitung hat jede Wärmepumpe eine schlechtere Effizienz als in der Heizungsbereitung. Hintergrund ist der notwendig hohe Temperaturhub für die gewünschte Warmwassertemperatur. Daher sollten die Warmwassertemperaturen mit Bedacht gewählt werden. Grundlage sollte immer ein hygienisch einwandfreies Trinkwassersystem sein. Um eine ausreichende Schüttleistung aus einem Warmwasserbereiter zu bekommen, hat man zwei Möglichkeiten.
- Erhöhung der Warmwassertemperatur – was zu einer schlechteren Effizienz führt.
- Erhöhung des Speichervolumens. Hierzu bietet die VDI 4645 Lösungsansätze.
Egal mit welcher Temperatur der Warmwasserspeicher nun betrieben wird. Wenn das Zirkulationssystem nicht hydraulisch abgeglichen ist, kommt es zwangsläufig zu einem häufigeren Nachladen des Warmwasserspeichers. Ein wesentlicher Punkt ist daher die Optimierung der Zirkulation.
Schwerkraftanlagen sind umzubauen, Zirkulationspumpen mittels Abgleichventile einzuregeln. Findet diese Einregulierung nicht statt, läuft die Zirkulation mit einer zu hohen Fließgeschwindigkeit in den Speicher zurück. Das führt zu einer ungewollten Durchmischung des Speichers und in der Konsequenz zu häufigerem Nachladen der Wärmepumpe.
Tipp: Gerade im Neubau sollte geprüft werden, ob ggf. ganz auf eine Zirkulationsleitung verzichtet werden kann. Natürlich immer unter der Berücksichtigung der Hygiene und des Komforts.
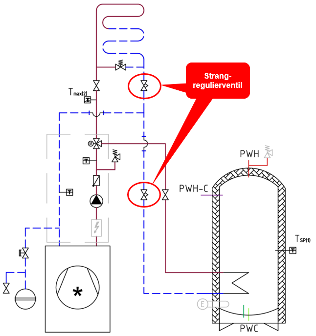
Wenn die Temperaturspreizung nicht stimmt
Gerne wird im Neubau auf einen Pufferspeicher verzichtet, aus Platz- und/oder Kostengründen . Viele Anlagen haben dann nur eine Heizungsumwälzpumpe. Diese pumpt das Heizungswasser, je nach Betriebszustand der Anlage, durch die Wärmepumpe und die Fußbodenheizung oder durch die Wärmepumpe und den Warmwasserspeicher. Auch hier gilt es die Hydraulik im Blick zu haben. In der Regel hat die Fußbodenheizung einen deutlich höheren Druckverlust als wenn die Anlage in der Warmwasserbereitung ist. Hier gibt es drei Möglichkeiten:
1. Die Wärmpumpenreglung hat eine automatische Spreizungsreglung für den Heizungs- und Warmwasserbetrieb.
2. Es lassen sich unterschiedliche Förderhöhen der Umwälzpumpe im Heiz- und Warmwasserbetrieb vorgeben.
3. Wenn beides nicht möglich ist, sollte der Volumenstrom für die Warmwasserbereitung über ein Abgleichorgan (Tacosetter/Strangregulierventil) angepasst werden.
Wenn dieser wichtige Punkt nicht beachtet wird, kann Folgendes passieren: Die Wärmepumpe fördert das Heizungswasser mit der hohen Förderhöhe, die für die Fußbodenheizung notwendig ist, durch den Wärmeübertrager des Warmwasserspeichers. Die Wärme kann aber nicht komplett an das Trinkwasser übergeben werden. Die Spreizung zwischen Vor- und Rücklauf der Wärmepumpe sinkt. Die gewünschte Warmwassertemperatur wird dann in den seltensten Fällen allein über die Wärmepumpe erreicht. Als letztes Hilfsmittel nimmt die Wärmepumpe den Heizstab hinzu, um die gewünschte Solltemperatur, in der gewünschten Zeit, in der Warmwasserbereitung gedeckt zu bekommen.




Fachbeitrag IKZ

+49 (0) 1515 4941637
hallo@achimfischer.de
